华为“以项目为中心”的运作不仅仅是一组实践或工具,更是一套相对完整的管理体系
“唯有变化是永恒”这一论调明显是老生常谈。但这句格言对任何曾经管理过项目的人都适用。有时涉众想要的东西与他们的最初渴求并不一样。团队运作不佳,天气暗中作梗,供应链断裂等这类可能出现的状况,既令人害怕,又无法避免。
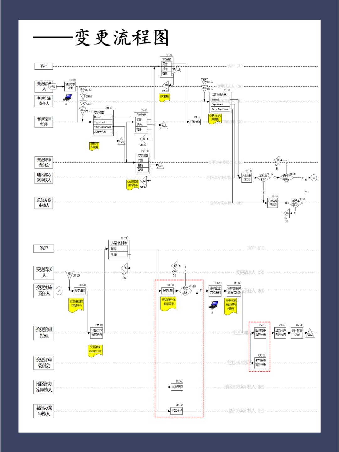
但是在某个项目中并非所有的变更都是等效的。有些变更发生在你身上,还有一些变更被迫发生。但无论产生什么变更,都必须对其进行管理和分析,然后选择接受或拒绝。如果变更被接受,那么就必须对其作出回应——采用一套全新的程序,以确保您在预算范围内不出差错。
变更控制是用来管理所有这些变量的过程。如果有变化发生(虽然一直如此),那么关键的是你有一个适当的机制来控制整个流程。
今天带大家一起来看下华为的变更管理流程是怎样的!







